Motor 5,5 kW 1450 S1 IE3

MT4-B5-112-0550-07
3.794,00 DKK

725 Produkter på lager

Specifikationer

Danitech Beskrivelse Motor 5,5 kW 1450 S1 IE3
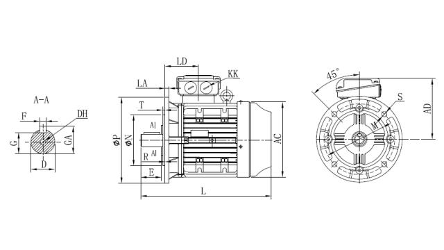
S 4-M8 mm
A 190 mm
B 140 mm
C 70 mm
D 28 mm
E 60 mm
F 8 mm
Effekt 5,5 kW
G 24 mm
H 112 mm
L 380 mm
Byggestørrelse 112
Arbejdscyklus S1
Effektivitetsklasse IE3
IP klassificering IP55
IP Klassificering beskrivelse Støvskærmet - Beskyttelse mod vandstråler
Motorflange B5
Motor spænding 230/400V 50Hz - 260/440V 60Hz V
Antal poler 4
Faser 3
RPM kont. 1400 O/min
K 4-Ø12 mm
Ved at klikke 'Acceptér Alle' så giver til tiladelse til at vi må indsamle information om dig til forskellige formål, hvilket inkluderer: Funktionalitet, Statistik og Marketing